Product Line
  
RF Product Type
Cable Assembly
1.6 /5.6
7/16
Adapter - Kit
Adapter
BNC
F
FME (Antenna)
MCX
MMCX
Mini - UHF
N
R/P Adapter
R/P BNC
R/P N
R/P SMA
R/P TNC
SMA
SMB
SMC
SSMB
STP
TNC
UHF
Application
RF Antenna
WLAN
Mobil Communication
Communication Satellites Stations
Defense Industry
Brand
Arthur-yang
A to Z
 
 

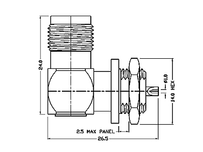
R/A TNC Female Chassis Mount

 

ZOOM

Name :R/A TNC Female Chassis Mount
Item No. : 2441-N1TG1

 Feature : 
            
N1:Brass Body With Nickel Plating
              T:Teflon Insulation
            G1:Brass Pin With Gold Plating
             

Add to Inquiry Cart

圖片