Product Line
  
RF Product Type
Cable Assembly
1.6 /5.6
7/16
Adapter - Kit
Adapter
BNC
F
FME (Antenna)
MCX
MMCX
Mini - UHF
N
R/P Adapter
R/P BNC
R/P N
R/P SMA
R/P TNC
SMA
SMB
SMC
SSMB
STP
TNC
UHF
Application
RF Antenna
WLAN
Mobil Communication
Communication Satellites Stations
Defense Industry
Brand
Arthur-yang
A to Z
 
 

BNC Female Twist-on Bulkhead

 

ZOOM

Name :BNC Female Twist-on Bulkhead
Item No. : 2360-A1-N1DG1
2360-F1-N1DG1

 Feature : 
             A
1:RG-58/U,141/U                       
             F1:RG-59/U,62A/U,210/U
            
N1:Brass Body With Nickel Plating
               D:Delrin Insulation
             G1:Brass Pin With Gold Plating
             

Add to Inquiry Cart

BNC Female Twist-on Bulkhead

圖片


 

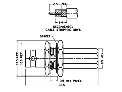
INSTRUCTIONS FOR CABLE ASSEMBLY – TWIST ON 

STEP 1. Shown are different parts of the connector.

STEP 2. First thing to do is to strip the inner conductor, dielectric, and jacket. Be Sure to remove all

             Burrs and break sharp edges in stripping the Cable Dims.

STEP 3. Twist braid in a clockwise direction so that at least 0.8mm of Dielectric is bared,

              and braid is left flat.

STEP 4. Insert inner conductor into the back end of the connector gently, and feed it

             into the guide hole.

STEP 5. Push and screw the connector onto the cable in a clockwise direction until it stops.