Product Line
  
RF Product Type
Cable Assembly
1.6 /5.6
7/16
Adapter - Kit
Adapter
BNC
F
FME (Antenna)
MCX
MMCX
Mini - UHF
N
R/P Adapter
R/P BNC
R/P N
R/P SMA
R/P TNC
SMA
SMB
SMC
SSMB
STP
TNC
UHF
Application
RF Antenna
WLAN
Mobil Communication
Communication Satellites Stations
Defense Industry
Brand
Arthur-yang
A to Z
 
 

R/A SMB Male Direct  Solder Attachment

 

ZOOM

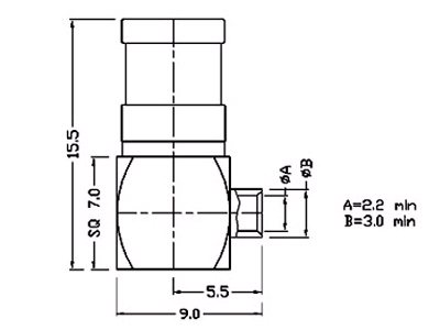
Name :R/A SMB Male Direct Solder Attachment
Item No. : 1227-D1-G1+2TG3
1227-D2-G1+2TG3

Feature :
            D1:RG-402/U(.141")
            D2:RG-405/U(.085")
        G1+2:Brass,Phosphor Beonze Boby With Gold Plating
              T:Teflon Insulation
            G3:BeCu Copper Pin With Gold Plating

Add to Inquiry Cart

圖片


圖片

INSTRUCTIONS FOR CABLE ASSEMBLY – SOLDER ( SEMI-RIGID )

 

STEP 1. Shown are different parts of the Connector.

STEP 2. First thing to do is to strip the inner conductor, dielectric, and jacket. Be sure to remove all

             Burrs and break sharp edges in stripping the Cable Dims.

STEP 3. Solder inner conductor to the contact pin of Main Body, and solder cable jacket to the main

             body (please see the drawing).

STEP 4. Screw the Nut into the Main Body until its end.