Product Line
  
RF Product Type
Cable Assembly
1.6 /5.6
7/16
Adapter - Kit
Adapter
BNC
F
FME (Antenna)
MCX
MMCX
Mini - UHF
N
R/P Adapter
R/P BNC
R/P N
R/P SMA
R/P TNC
SMA
SMB
SMC
SSMB
STP
TNC
UHF
Application
RF Antenna
WLAN
Mobil Communication
Communication Satellites Stations
Defense Industry
Brand
Arthur-yang
A to Z
 
 

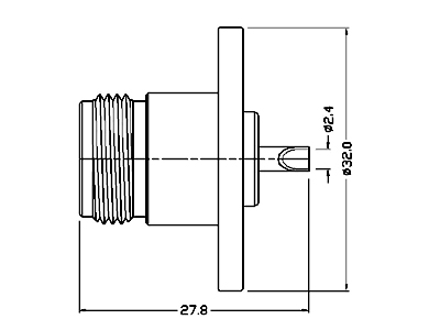
N Female O Chassis Mount Type

 

ZOOM

Name :N Female O Chassis Mount Type
Item No. : 2235-G1TG1

 Feature : 
             G
1:Brass Body With Gold Plating
               T:Teflon Insulation
             G1:Brass Pin With Gold Plating
             

Add to Inquiry Cart

N Female O Chassis Mount Type