Product Line
  
RF Product Type
Cable Assembly
1.6 /5.6
7/16
Adapter - Kit
Adapter
BNC
F
FME (Antenna)
MCX
MMCX
Mini - UHF
N
R/P Adapter
R/P BNC
R/P N
R/P SMA
R/P TNC
SMA
SMB
SMC
SSMB
STP
TNC
UHF
Application
RF Antenna
WLAN
Mobil Communication
Communication Satellites Stations
Defense Industry
Brand
Arthur-yang
A to Z
 
 

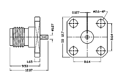
SMA Panel Mount Female 4 Holes SQ

 

ZOOM

Name :SMA Panel Mount Female 4 Holes SQ
Item No. : 1464C-G1TG3

      Feature : 
            G1:Brass Body With Gold Plating
              T:Teflon Insulation
            G3:BeCu Copper Pin With Gold Plating
             

Add to Inquiry Cart

圖片