Product Line
  
RF Product Type
Cable Assembly
1.6 /5.6
7/16
Adapter - Kit
Adapter
BNC
F
FME (Antenna)
MCX
MMCX
Mini - UHF
N
R/P Adapter
R/P BNC
R/P N
R/P SMA
R/P TNC
SMA
SMB
SMC
SSMB
STP
TNC
UHF
Application
RF Antenna
WLAN
Mobil Communication
Communication Satellites Stations
Defense Industry
Brand
Arthur-yang
A to Z
 
 

N Straight Male Direct Solder

 

ZOOM

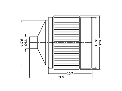
Name :N Straight Male Direct Solder
Item No. : 2241-D1-N1TG1

 Feature : 
             D1:RG-402/U(.141")
             N
1:Brass Body With Nickel Plating
               T:Teflon Insulation
             G1:Brass Pin With Gold Plating
             

Add to Inquiry Cart

N Stright Male Direct Solder


圖片


 

INSTRUCTIONS FOR CABLE ASSEMBLY – SOLDER (SEMI-RIGID) 
 

STEP 1. Shown in the Drawing are the different parts of the Connector.

STEP2. First thing to do is to strip the inner conductor, dielectric, and jacket. Be Sure to remove all

            Burrs and break sharp edges in stripping the Cable Dims. STEP 3. Insert inner conductor into

            the Contact Pin and solder it as shown.

STEP 4. Solder the Main Body to cable as shown. Must avoid excessive heat which may melt or

             distort the Dielectric. Then press the Insulator into the main body until it stops.