Product Line
  
RF Product Type
Cable Assembly
1.6 /5.6
7/16
Adapter - Kit
Adapter
BNC
F
FME (Antenna)
MCX
MMCX
Mini - UHF
N
R/P Adapter
R/P BNC
R/P N
R/P SMA
R/P TNC
SMA
SMB
SMC
SSMB
STP
TNC
UHF
Application
RF Antenna
WLAN
Mobil Communication
Communication Satellites Stations
Defense Industry
Brand
Arthur-yang
A to Z
 
 

N Straight Male Crimp-on Type

 

ZOOM

Name :N Straight Male Crimp-on Type
Item No. : 2204-B1-N1TG1
2204-B2-N1TG1

 Feature : 
             B1:RG-213/U,8A/U
             B2
:RG-214/U,9B/U
            
 N1:Brass Body With Nickel Plating
               T:Teflon Insulation
             G1:Brass Pin With Gold Plating
             

Add to Inquiry Cart

N Straight Male Crimp-on Type

 

N Straight Male Crimp-on Type


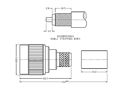
INSTRUCTIONS FOR CABLE ASSEMBLY – CRIMP/CRIMP OR SOLDER

 

STEP 1. Shown are different parts of the connector. Use a crimping tool to terminate all the parts.

STEP 2. First thing to do is to strip the inner conductor, dielectric, and jacket. Be sure to remove all

             Burrs and break sharp edges in stripping the Cable Dims.

STEP 3. Insert inner conductor into the Contact Pin and crimp itor solderwith the Crimp Tool as

             shown. Then slide the Ferrule into the cable.

STEP 4. Insert the Body into the Braid and the dielectric.

STEP 5. Slide the Ferrule over Braid and crimp it with the Crimp tool (see illustration).