

INSTRUCTIONS FOR CABLE ASSEMBLY – CRIMP/CRIMP
STEP 1. Shown are diff. parts of the connector. Use crimping tool to terminate all the parts.
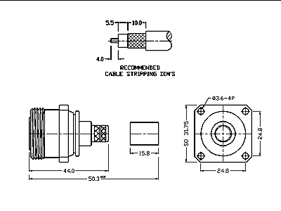
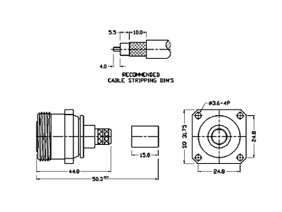
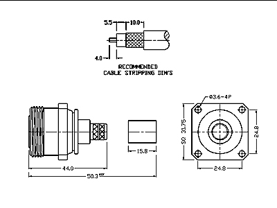
STEP 2. First, strip the inner conductor, dielectric, and jacket. Be sure to remove all burrs and break
sharp edges in stripping the Cable Dims.
STEP 3. Slide the ferrule into the cable, then fold back braid wire and slide the Insulator onto
dielectric as shown.
STEP 4. Insert inner conductor into the Contact Pin and crimp it with the Crimp tool as illustrated.
STEP 5. Push cable and parts into the Main Body until it stops. Then slide the Ferrule over Braid wire
and against the Main Body, Crimp it with the Crimping Tool as shown.
